R14 Series
General Purpose, 10 Amp & 15 Amp AC & DC Relays
 |
Features
Slightly larger than one cubic inch
SPDT, DPDT, 3PDT, & 4PDT
See-thru plastic cover
Plug-in or solder terminal, will also accept .187" faston terminals
PC board mount (P-suffix)Flange mount version (F-suffix)
Indicator lamp types (N-suffix)High reliability, 50 million operations
RED indicates new device
|

Electrical Characteristics
Contact
Contact Rating: 15 Amp @ 150VAC/30VDC, 10 Amp @ 240VAC, 1/3 HP @ 120VAC, 1/2 HP @ 240VAC, 10 Amp @ 240/30VDC Resistive, 1/3 HP @ 120VAC, 1/2 HP @ 240VAC
Contact Material: Silver cadmium oxide
Contact Resistance: 100 milliohms max. (@ 6VDC, 1A)
Coil
Coil Voltages: See Chart
Pick-up Voltages:
80% of nominal or less for AC
75% of nominal or less for DC
Resistance: See chart
Min Sensitivity: 500mW DC .75 volt Amps (60Hz)
Duty Cycle: Continuous
Operational Characteristics
Timing Values (At nominal coil voltage):
Operate Time: 25mS or less
Release Time: 25mS or less
Insulation Characteristics
Dielectric Strength:
Contact to Coil: 1500 VRMS (50/60Hz)
Across Open Contacts: 1000 VRMS (50/60Hz)
Coil to Frame: 1500 VRMS (50/60Hz)
Insulation Resistance: 100 megohms Min @ 500VDC
Environmental Characteristics
Operating: -30°C to +55°C
Weight
Std: 1.5 ozs. (45 grams) - approx
Back to Top

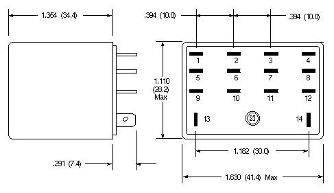
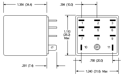
Dimensional Drawings
D59 D57
Back to Top
Contact Arrangment
(Viewed from Pin end of Plug)
SPDT, 1 Form "C"
 |
DPDT, 2 Form "C"
 |
3PDT, 3 Form "C"
 |
4PDT, 4 Form "C"
 |
Back to Top

Part Numbers
| ACCESSORIES |
| Mounting Styles |
Description |
NTE Type No. |
| Surface Mount |
8-Pin Blade |
R95-110 |
| Surface Mount |
8-Pin Blade |
R95-150 |
| Panel Mount |
8-Pin Blade |
R95-111 |
| PC Mount |
8-Pin Blade |
R95-120 |
| DIN Rail Mount |
8-Pin Blade |
R95-121 |
Back to Top
|