Saturday, April 4, 2026     
     Serving the Electronic Industries for Over 33 Years
Amp connectors sockets Logo
cooper wiring devices logo
Ditek Surge Protection logo
Littelfuse Fuses Logo
     Electronic Components Distributor Logo                        
 Home
  |  View Account   |    Engineer's Corner    |  Contact Us  |  Cross Reference  |  Line Card  |  0 Item
Part Search
NTE Cross Ref. Search
Login
SRI Live Chat Help
call us email us contact us

Product Links

Inside SRI

About SRI
Contact Us
Careers
Link to Us!
Feedback

SRI-Newsletter
Subscribe to our newsletter to receive monthly specials, manufacturer's feature, and electronics news via email.

See Our latest release of SRI-Newsletter here

View Our List of Archived Newsletter Articles


SRI Links

Visit our Sister Site,

Distributor of

Industrial Products

  Web Search ..
  Powered by;

 Printed Circuit Board Relays, 53 Series

R53 Series
Miniature 30 Amp & 20 Amp Industrial Relays for Automotive Controls, Industrial Timers, and Process Controls

 Features
  • PC board mountable
  • Miniature size
  • Epoxy sealed
  • Vented cover - fully enclosed
  • SPST & SPDT versions
  • Cut-off nib for vent hole
  • Electrical Characteristics Contact
    Rating: 1 Form "A" (SPST), 30 Amp @ 240 VAC,
    Rating: 1 Form "C" (SPDT), 20 Amps @ 240 VAC

    Coil
    Coil Voltages: See Chart
    Resistance: 900mW Nominal

    Operational Characteristics
    Timing Value:
                 Operate & Release Time: 10 - 15 mS

    Insulation Characteristics
    Dielectric Strength: 1500 VRMS, 60Hz / 1sec.

    Environmental Characteristics
    Ambient Temperature Range: -55°C to +85°C

    Back to Top

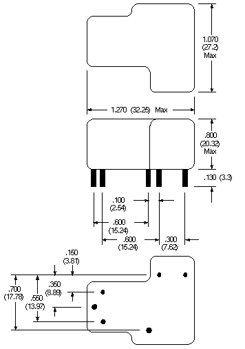
    Dimensional Drawings

    D33 Contact Arrangment

    SPST-NO, 1 Form "A"
    SPDT, 1 Form "C"

    Back to Top

    Part Numbers
    DC OPERATED
    NTE Type No. Nom.
    Voltage
    Contact
    Arr.
    Coil
    Res.
    Ohms
    Typ
    Nom.
    Power
    Max.
    Contact
    Current @
    28VDC
    240VAC
    Diag.
    No.
    R53-1D30-6 6VDC SPST-NO 40 900mW 30A D33
    R53-1D30-12 12VDC SPST-NO 155 900mW 30A D33
    R53-1D30-24 24VDC SPST-NO 660 900mW 30A D33
    R53-5D20-6 6VDC SPDT 40 900mW 20A D33
    R53-5D20-12 12VDC SPDT 155 900mW 20A D33
    R53-5D20-24 24VDC SPDT 660 900mW 20A D33
    R53-5D20-48 48VDC SPDT 2550 900mW 20A D33
    R53-5D20-110 110VDC SPDT 13,450 900mW 20A D33

    Back to Top


    **Specifications subject to changes**
    [Go to Search] [Back]


    Page Links

    Electrical Characteristics

    Dimensional Drawings

    Part Numbering



    Back